Coffee Machine Wiring Diagram

Coffee machine wiring diagram. Large shower head facilitates even coffee saturation. Small metal basket for holding coffee grounds. If you have any question about repairing write your question to the message board. Gaggia classic electrical wiring diagram;

Espresso machine replacement part diagrams. Click the links below to view the diagrams. No problem with that, but as i am going to put apart and rewire a coffee machine, pretty dangerous heating device after all, i wanted to fully understand its wiring diagram beforehand. Preparation of the machine 2.1 unpacking open the packaging, taking care not to damage it.

Posted on february 23, 2011 by coffeemachinesmanual. Espresso outlet is a retailer of some of the world's finest espresso machines, grinders, and other related products. Need a wiring diagram for 4 way switch with source in centre and light on end. Design plc program for automatic coffee machine to get a cup of coffee by inserting a coin in the machine.

Home > coffee machine and grinder parts > coffee machine parts by manufacturer > iberital. View the breakdown of parts throughout the coffee machine. Implement the plc program for this machine by using ladder diagram language. If there is an external motor pump, the motor and the pump are provided in separate.

For this no need registration. We strive to provide good customer service to. If your model is not listed, please contact us at the email address below and we will further assist you. Iberital espresso machine wiring diagram.

This is the diagram i drew of it. Fill the coffee bean container 3 switch on the appliance 4 press to switch on the machine / 5 heating the heating phase begins, wait for it to fi nish 6 machine ready the machine is ready to dispense beverages I could understand that the three pin device in the middle is a rocker switch. Click on one of the blocks below to see a pdf of the detailed product support documentation.

While manual brewing devices, like pourover drippers, offer the user control over these three variables, automatic machines make brewing. Iberital espresso machine wiring diagram. Sign up to our weekly newsletter for some great offers. Looking at the diagram, which is all i have to go on as i don’t have the machine any more, there appear to be 6 connections to the coils in total.

Follow the electric current throughout the coffee machine. There changes are to the l and n connections to the iec inlet, which were transposed in the original drawing, and also to the pump connections where the incoming neutral was shown connected to the left hand terminal in the drawing. On iberital espresso machine wiring diagram. 13 july 2013, 11:37 pm.

Some bz99s do not have the thermostat protecting the heating element. Typically only used with steam machines. This is plc program for automatic coffee maker machine. Be the first to hear about our new product arrivals, get great weekly offers and the latest news.

Iberital coffee machine spare parts. This would have resulted in a short circuit of the. Choose from the categories below. Schaerer manuals and exploded diagrams.

Click on one of the blocks below to see a pdf of the detailed product support documentation. Single pole three toggle switch. Change the heating elements | ib7 machine. Both elements appear to work at the same time.

This wiring diagram for a typical honeywell intermittent stack relay was pasted on the interior of a replacement unit from sid harvey. Basic coffee machine wiring diagram privacy policy | dmca | contact dmca The contactor has two outputs, which are from the same input, so these are two identical feeds of neutral, taken from separate contacts for reliability. Circuit diagram of coffee vending machine wiring view and schematics diagram this area is a growing library of the schematics, wiring diagrams and technical photos

Espresso machines and grinders we are passionate about everything to do with coffee, a product as richly nuanced as it is elaborate in its preparation. Training · training · the coffee universe. Click the links below to view the diagrams. If your model is not listed, please contact us by submitting a ticket to our support department here.

Please take a look at the below related repair forum topics. Pump machines don't always have a lid and gasket, and often come with a removable water reservoir. Yes in the drip coffe makers type there is heating element + warming element because the process is about 10 minutes, so in the wiring diagram must be just one. For this coffee maker type there is no warming element as in the drip coffee makers, because all the process of brewing is just about 20 to 30 seconds, so it dont need to keep warm anything.

This may help diagnose a fault in the circuit and assist in part identification. Pot with pour spout used for used for holding espresso. This may help diagnose a malfunction and assist in part identification. A look at troubleshooting tips for your espresso machine for home baristas and coffee shops, also.

32 Coffee Vending Machine Circuit Diagram Wire Diagram

32 Coffee Vending Machine Circuit Diagram Wire Diagram

New Wiring Diagram Ice Maker diagrams digramssample

New Wiring Diagram Ice Maker diagrams digramssample

Dpst Thermostat Wiring Diagram Simple Immersion Heater

Dpst Thermostat Wiring Diagram Simple Immersion Heater

Schematic Bunn Coffee Maker Parts Diagram 34 Bunn Grx B

Schematic Bunn Coffee Maker Parts Diagram 34 Bunn Grx B

Bunn Nhbx Parts Diagram Free Wiring Diagram

Bunn Nhbx Parts Diagram Free Wiring Diagram

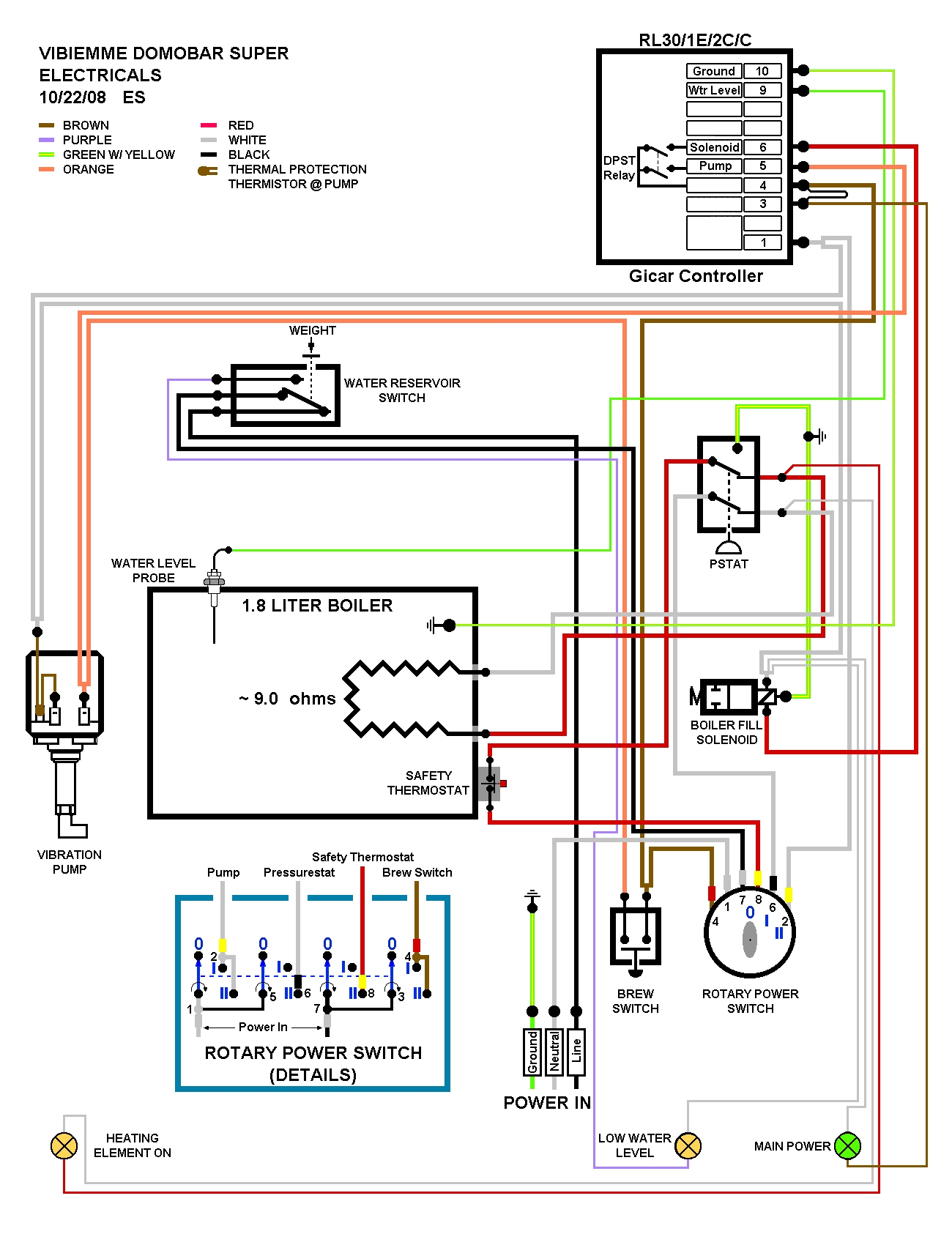
Vibiemme Domobar Super Electrical Diagram

Vibiemme Domobar Super Electrical Diagram

Cuisinart Espresso Maker Em200 Wiring Diagram

Cuisinart Espresso Maker Em200 Wiring Diagram

32 Coffee Vending Machine Circuit Diagram Wire Diagram

32 Coffee Vending Machine Circuit Diagram Wire Diagram

Coffee Maker Wiring Diagram Wiring Schema

Coffee Maker Wiring Diagram Wiring Schema

30 Bunn Coffee Maker Parts Diagram Wiring Diagram Database

30 Bunn Coffee Maker Parts Diagram Wiring Diagram Database

30 Bunn Coffee Maker Parts Diagram Wiring Diagram Database

30 Bunn Coffee Maker Parts Diagram Wiring Diagram Database

[DIAGRAM] Bunn Coffee Maker Wiring Diagram

[DIAGRAM] Bunn Coffee Maker Wiring Diagram

Bezzera Ellisse Electric Wiring Diagram Schematic Coffee

Bezzera Ellisse Electric Wiring Diagram Schematic Coffee

Bunn Coffee Maker Wiring Diagram Bunn Stf 20 Coffee Maker

Bunn Coffee Maker Wiring Diagram Bunn Stf 20 Coffee Maker

Keurig Parts Diagram Schematic — UNTPIKAPPS

Keurig Parts Diagram Schematic — UNTPIKAPPS

Wiring Diagram Coffee Maker

Wiring Diagram Coffee Maker

Wiring Diagram for 220v Gaggia Classic Gaggia, Diagram

Wiring Diagram for 220v Gaggia Classic Gaggia, Diagram

Coffee Machine Diagram Home Drip Coffee Maker

Coffee Machine Diagram Home Drip Coffee Maker

Iberital Espresso Machine Wiring Diagram

Iberital Espresso Machine Wiring Diagram

Keurig Parts Diagram Schematic

Keurig Parts Diagram Schematic

Mr Coffee Parts Diagram Wiring Diagram

Mr Coffee Parts Diagram Wiring Diagram

Need help understanding Expobar Office Lever wiring diagram

Need help understanding Expobar Office Lever wiring diagram

Keurig Parts Diagram Schematic — UNTPIKAPPS

Keurig Parts Diagram Schematic — UNTPIKAPPS

32 Coffee Vending Machine Circuit Diagram Wire Diagram

32 Coffee Vending Machine Circuit Diagram Wire Diagram

Iberital Espresso Machine Wiring Diagram

Iberital Espresso Machine Wiring Diagram