Boon Edam Turnstile Wiring Diagram

Boon edam turnstile wiring diagram. Tomsed & boon edam mcb 5.0. 1.4 product options the options of. Turnstile and gate parts available for all manufacturers in usa including boon edam, alvarado, philip burle, tomsed, magnetic automation, controlled access. All boon edam secured entry solutions can easily be integrated with virtually any access control system.
Many different full height and. Double gate can have up to four control points, two entries and two exits each rotor can be supplied with electrical operation in one or two directions. Full height turnstile is ideal for both indoor and outdoor settings. However, boon edam has the reserved rights to improve products without notice.
Including automatic or manual revolving doors, security doors, optical and glass turnstiles, curved sliding entrances and barrier free air. Fabricated from heavy gauge anodized aluminum, the turnstiles are designed with extruded arms and clear panel shields. The smaller passage space helps eliminate “piggybacking” and property removal. Tomsed control board versions 3 & 4.
All boon edam secured entry solutions can easily be integrated with virtually any access control system. The boon edam experience the reason our customers choose to work with us is that we have proven ourselves to be different. Boon edam turnlock 200 el (usa) full height turnstile the transparent full height turnstile for indoor usethe advantage of full height turnstiles is that they offer a high level of security with low intelligence and high reliability. Boon edam, tomsed and safesec have all joined under the boon edam tomsed banner to simplify the selection process.
The turnlock 100 is a heavy duty full height turnstile that is extremely suitable to ensure outside perimeter security. You can contact the boon edam manufacturing facilities. Option, channel cover w/ side removal top, speed c: This stainless steel turnstile is available with
Ambachtstraat 4 1135 gg edam the netherlands t +31 (0)299 380808 f +31 (0)299 372859 beijing boon. No.10 tong ji bei lu beijing economic &. Item# vendor name part # item description price (us) details; Dict_fileseng_comdic this class can parse analyze words and interprets sentences.
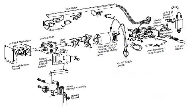
Replacement solenoids for all tomsed and some boon edam 24vdc full height turnstiles. Switch the power supply off before carrying out any maintenance A manual turnstile is an access control turnstile that controls the flow of pedestrian traffic mechanically without the aid of electronics. Full height security turnstiles overview of boon edam.
Boon edam, inc., 402 mckinney parkway, lillington, nc 27546. Rfid device, fingerprint and biometric device). Royal boon edam group holding b.v. A clear and open appearance ensures that the full height turnstile turnlock 200 el is particularly suitable for indoor applications.
Manual turnstiles can take many shapes and forms. Since 1903, boon edam has produced the highest quality revolving entrances in the world. Boon edam turnstile wiring diagram rabu, 05 januari 2022 edit. 402 mckinney parkway lillington north carolina 27546 united states of america t +1 (910) 814 3800 f +1 (910) 814 3899 boon edam b.v.
Box 40, 1135 zg, edam holland version: Tomsed & boon edam control board. Therefore it is possible that the installed products show some differences with the description in this manual. Speedlane swing security optical turnstile includes stainless steel cabinets with swinging glass panels.
Early 1980's tomsed discrete relay control schematic. Designed for “continued performance, guaranteeing lifetime satisfied customers” with a broad and complete line of engineered entrance solutions; Waist high turnstiles w/ manual operation, key lock control both directions. Www.boonedam.us 2.02 product boon edam speedlane swing security optical turnstile.
This model consists of three door wings constructed of narrow or wide polycarbonate panels. Ambachtstraat 4 1135 gg edam the netherlands t +31 (0)299 380808 f +31 (0)299 372859 beijing boon edam entrance technology co. It can be integrated with any kind of access controller system (e.g.: Parts are unclear to you or contain errors, you can contact the boon edam manufacturing facilities.
Boon edam makes every effort to ensure that this manual is reviewed whenever significant changes are made to the design.
Wire Diagram Frost International
[36+] Wiring Diagram Xenia Pdf
Looking for Frigidaire model FEFLM605DCH electric range
aluminumdoorrevolvingDuotourboonedamdimensions
Wiring Diagram Green Mountain Grill Schematic Diagram Guide
Wiring Diagram Green Mountain Grill Schematic Diagram Guide
Wiring Diagram For Green Mountain Grill AMKMNS
Turnstile Manuals
aluminumdoorrevolvingboonedamcrystalTourniket
Frigidaire LFEH3054UFA electric range parts Sears
Turnstile Parts
Frigidaire CPLEF398DCE electric range parts Sears
Frigidaire CFEF2405LWD electric range parts Sears
Pin on elektronik
Frigidaire FPES3085PFC electric range parts Sears
[DIAGRAM] 2004 Daihatsu Sirion Wiring Diagram FULL Version
Foster Fence, Ltd. Turnstiles Alvarado & Boon Edam
Turnstile Manuals
Frigidaire FFES3015PWA electric range parts Sears
Frigidaire CFGF366DBB gas range parts Sears PartsDirect
Frigidaire CPLGF390DCG gas range parts Sears PartsDirect
Repair Guides Overall Electrical Wiring Diagram (2006
Boon Edam’s Popular Lifeline Optical Turnstile Series Now
Vx Ss Manual Wiring Diagram
Universal/Multiflex (Frigidaire) MEF356BFDA electric range